产品特点 Features
High excellent
|
应⽤ Application
High-perfomance filter for industrial control equipment,telecommunication systems,medical equipment,and other occasions |
技术参数 Technical Data⽓候类别Climatic Category: 40/085/21额定电压RatedVoltage: 250/440Vac工作频率Operating frequency: 50/60Hz 额定电流RatedCurrent: 耐压试验1分钟TestVoltage(1 min): 1-80A1500VDC(line- line) 2000VDC(line-ground)
|
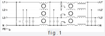
电路原理图 Typical circuit diagram |
规格表 Specification sheet |
型号Model | 额定电流 Rated | 外壳代号 shell | 电路图 Circuit | 接地电容 (nF) | 放电电阻 discharge resistor | 端接形式 Terminal | 接线防护罩 wiring protective |
CHF- 1 EUH | 1 | 1 B | fig. 1 | 10 | 680KΩ | 2 | — |
CHF-3EUH | 3 | 1 B | fig. 1 | 10 | 680KΩ | 2 | — |
CHF-6EUH | 6 | 2B | fig. 1 | 47 | 680KΩ | 2 | — |
CHF- 10EUH | 10 | 2B | fig. 1 | 47 | 680KΩ | 2 | — |
CHF- 16EUH | 16 | 3B | fig. 1 | 47 | 560KΩ | 2/3 | CH- PF1 |
CHF-20EUH | 20 | 3B | fig. 1 | 47 | 560KΩ | 2/3 | CH- PF1 |
CHF-25EUH | 25 | 3B | fig. 1 | 47 | 560KΩ | 2/3 | CH- PF1 |
CHF-30EUH | 30 | 4B | fig. 1 | 47 | 560KΩ | 2/3 | CH- PF1 |
CHF-35EUH | 35 | 4B | fig. 1 | 47 | 560KΩ | 2/3 | CH- PF1 |
CHF-50EUH | 50 | 5B | fig. 1 | 47 | 560KΩ | 2/3 | CH- PF1 |
CHF-60EUH | 60 | 5B | fig. 1 | 47 | 560KΩ | 3 | CH- PF1 |
CHF-80EUH | 80 | 5B | fig. 1 | 47 | 560KΩ | 3 | CH- PF1 |
端接形式代码:2-引线式、3-螺栓式
产品特点 Features
High excellent
|
应⽤ Application
High-perfomance filter for industrial control equipment,telecommunication systems,medical equipment,and other occasions |
技术参数 Technical Data⽓候类别Climatic Category: 40/085/21额定电压RatedVoltage: 250/440Vac工作频率Operating frequency: 50/60Hz 额定电流RatedCurrent: 耐压试验1分钟TestVoltage(1 min): 1-80A1500VDC(line- line) 2000VDC(line-ground)
|
电路原理图 Typical circuit diagram |
规格表 Specification sheet |
型号Model | 额定电流 Rated | 外壳代号 shell | 电路图 Circuit | 接地电容 (nF) | 放电电阻 discharge resistor | 端接形式 Terminal | 接线防护罩 wiring protective |
CHF- 1 EUH | 1 | 1 B | fig. 1 | 10 | 680KΩ | 2 | — |
CHF-3EUH | 3 | 1 B | fig. 1 | 10 | 680KΩ | 2 | — |
CHF-6EUH | 6 | 2B | fig. 1 | 47 | 680KΩ | 2 | — |
CHF- 10EUH | 10 | 2B | fig. 1 | 47 | 680KΩ | 2 | — |
CHF- 16EUH | 16 | 3B | fig. 1 | 47 | 560KΩ | 2/3 | CH- PF1 |
CHF-20EUH | 20 | 3B | fig. 1 | 47 | 560KΩ | 2/3 | CH- PF1 |
CHF-25EUH | 25 | 3B | fig. 1 | 47 | 560KΩ | 2/3 | CH- PF1 |
CHF-30EUH | 30 | 4B | fig. 1 | 47 | 560KΩ | 2/3 | CH- PF1 |
CHF-35EUH | 35 | 4B | fig. 1 | 47 | 560KΩ | 2/3 | CH- PF1 |
CHF-50EUH | 50 | 5B | fig. 1 | 47 | 560KΩ | 2/3 | CH- PF1 |
CHF-60EUH | 60 | 5B | fig. 1 | 47 | 560KΩ | 3 | CH- PF1 |
CHF-80EUH | 80 | 5B | fig. 1 | 47 | 560KΩ | 3 | CH- PF1 |
端接形式代码:2-引线式、3-螺栓式