产品特点 Features
High excellent
|
应⽤ Application
Apply to inverter input,effectively reducing interference of inverter. |
技术参数 Technical Data
|
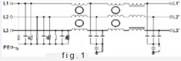
电路原理图 Typical circuit diagram |
规格表 Specification sheet |
型号Model | 额定电流 Rated | 外壳代号 shell | 电路图 Circuit | 接地电容 (nF) | 放电电阻 discharge resistor | 端接形式 Terminal | 接线防护罩 wiring protective |
CHF-5IFX | 5 | 2B | fig. 1 | 220 | 560KΩ | 3 | CH- PH2 |
CHF- 10IFX | 10 | 2B | fig. 1 | 220 | 560KΩ | 3 | CH- PH2 |
CHF- 16IFX | 16 | 3B | fig. 1 | 220 | 560KΩ | 3 | CH- PH2 |
CHF-30IFX | 30 | 4B | fig. 1 | 470 | 330KΩ | 3 | CH- PH2 |
CHF-50IFX | 50 | 5B | fig. 1 | 470 | 330KΩ | 3 | CH- PH2 |
CHF-80IFX | 80 | 6B | fig. 1 | 1000 | 220KΩ | 3 | CH- PH2 |
CHF- 100IFX | 100 | 6B | fig. 1 | 1000 | 220KΩ | 3 | CH- PH2 |
CHF- 120IFX | 120 | 6B | fig. 1 | 1000 | 220KΩ | 3 | CH- PH2 |
CHF- 150IFX | 150 | 7B | fig. 1 | 1500 | 220KΩ | 3 | CH- PH2 |
CHF-200IFX | 200 | 7B | fig. 1 | 1500 | 220KΩ | 3 | CH- PH2 |
CHF-300IFX | 300 | 8B | fig. 1 | 2200 | 220KΩ | M | — |
CHF-450IFX | 450 | 9B | fig. 1 | 2200 | 220KΩ | M | — |
CHF-500IFX | 500 | 9B | fig. 1 | 2200 | 220KΩ | M | — |
CHF-600IFX | 600 | 9B | fig. 1 | 2200 | 220KΩ | M |
端接形式代码:3-螺栓式、M-母排式
产品特点 Features
High excellent
|
应⽤ Application
Apply to inverter input,effectively reducing interference of inverter. |
技术参数 Technical Data
|
电路原理图 Typical circuit diagram |
规格表 Specification sheet |
型号Model | 额定电流 Rated | 外壳代号 shell | 电路图 Circuit | 接地电容 (nF) | 放电电阻 discharge resistor | 端接形式 Terminal | 接线防护罩 wiring protective |
CHF-5IFX | 5 | 2B | fig. 1 | 220 | 560KΩ | 3 | CH- PH2 |
CHF- 10IFX | 10 | 2B | fig. 1 | 220 | 560KΩ | 3 | CH- PH2 |
CHF- 16IFX | 16 | 3B | fig. 1 | 220 | 560KΩ | 3 | CH- PH2 |
CHF-30IFX | 30 | 4B | fig. 1 | 470 | 330KΩ | 3 | CH- PH2 |
CHF-50IFX | 50 | 5B | fig. 1 | 470 | 330KΩ | 3 | CH- PH2 |
CHF-80IFX | 80 | 6B | fig. 1 | 1000 | 220KΩ | 3 | CH- PH2 |
CHF- 100IFX | 100 | 6B | fig. 1 | 1000 | 220KΩ | 3 | CH- PH2 |
CHF- 120IFX | 120 | 6B | fig. 1 | 1000 | 220KΩ | 3 | CH- PH2 |
CHF- 150IFX | 150 | 7B | fig. 1 | 1500 | 220KΩ | 3 | CH- PH2 |
CHF-200IFX | 200 | 7B | fig. 1 | 1500 | 220KΩ | 3 | CH- PH2 |
CHF-300IFX | 300 | 8B | fig. 1 | 2200 | 220KΩ | M | — |
CHF-450IFX | 450 | 9B | fig. 1 | 2200 | 220KΩ | M | — |
CHF-500IFX | 500 | 9B | fig. 1 | 2200 | 220KΩ | M | — |
CHF-600IFX | 600 | 9B | fig. 1 | 2200 | 220KΩ | M |
端接形式代码:3-螺栓式、M-母排式